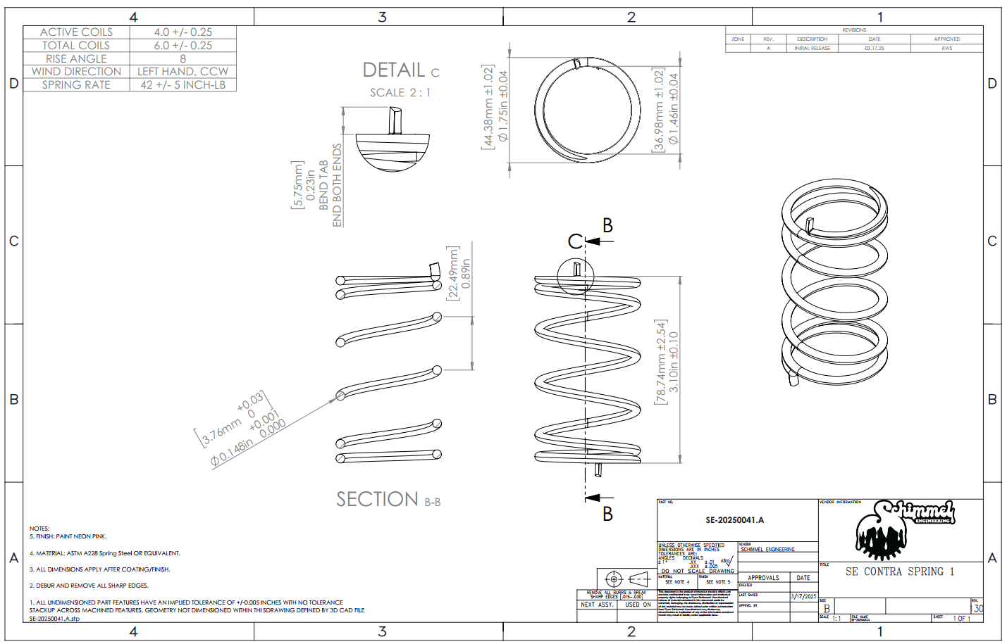
CVT Contra Spring - Mirror Wind reverse engineering
Mirror-wound CVT contra spring. Scanned, drawn, sourced. 45 days. First try.
Lockeland Springs Column Capitals
Five missing capitals. Scanned, reproduced in ABS. $1,000 each. Indistinguishable.
Hermitage Crown Molding
Historic plaster profile scanned, drawn, and cut into aluminum. 20 feet. $750.
White House TN Facility Upgrade
Vendor BIM missed the facility. We scanned the gap. 22 drawings. $10,000.
Sculptural Scan Enlargement
Maquette scanned at ±0.025mm. Enlarged five times. Delivered to foundry. $470.
Snorunner NLA Part Reproduction
NLA Snorunner part scanned and reproduced in MJF nylon. Sold on Bring a Trailer.
Saab 96 V4 Package Shelf
No shelf exists. Scanned the chassis. Aberdeen Studio cut it. $390. First try.

