CVT Contra Spring - Mirror Wind reverse engineering
Powersports · Spring Reverse Engineering · Custom Manufacture
CVT Contra Spring —
Mirror Wind Reverse Engineering
A manufacturer needed an exact duplicate of a CVT V-belt transmission contra spring — wound in the opposite direction. No drawings existed. We scanned the original, reverse engineered the geometry, produced full manufacturing drawings with GD&T, sourced a qualified overseas vendor, and delivered production springs in 45 days.
The Problem
Wrong Wind Direction. No Drawings. No Supplier.
A manufacturer was sourcing a contra variation spring for a CVT V-belt transmission — a small, precision coil spring with custom bent ends that locates and preloads the variator in a specific rotational orientation. Their existing supplier had wound the spring in the wrong direction. The spring physically fit the housing, but the end tabs indexed incorrectly, making it non-functional in the application.
No engineering drawings existed for the correct mirror-wound version. The original spring was left-hand CCW wound — the application required a right-hand CW mirror image with identical geometry, spring rate, and custom end tab configuration. No off-the-shelf spring matched the specification.
Schimmel Engineering was brought in to capture the original spring's geometry, produce a complete engineering drawing package for the mirror variant, and source production springs from a qualified manufacturer.
Original (blue, left-hand CCW) alongside the new mirror-wound production spring (black, right-hand CW)
Engineering Data
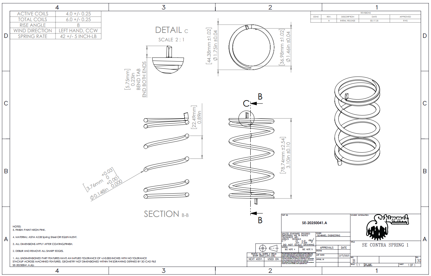
Part SE-20250041.A — Captured Specifications
The original spring was scanned using the Creaform HandyScan Black Elite at ±0.025mm accuracy. All geometry was extracted and verified in VXElements before being rebuilt as a fully parametric SolidWorks model. The mirror variant was produced by reflecting the helix direction and re-engineering the end tab geometry to match the mirrored orientation.
| Part Number | SE-20250041.A |
| Wire Diameter | 3.76mm (0.148 in) +0.03 / +0.001 |
| Inner Diameter | 36.98mm (1.46 in) ±1.02mm |
| Free Length | 78.74mm (3.10 in) ±2.54mm |
| Active Coils | 4.0 ±0.25 |
| Total Coils | 6.0 ±0.25 |
| Rise Angle | 8° |
| Wind Direction | Right-hand CW (mirror of original LH CCW) |
| Spring Rate | 42 ±5 inch-lb |
| End Detail | Bend tab both ends — 5.75mm (0.23 in) |
| Material | ASTM A228 Spring Steel |
| Finish | Black paint (customer specified) |
Parametric SolidWorks model — mirror-wound geometry with custom end tabs
Delivered production spring — ASTM A228, black finish, correct wind direction
How It Was Done
Scan → Model → Draw → Source → Deliver
This project followed Schimmel Engineering's full-stack reverse engineering workflow — from physical part capture through to production springs in hand. Total engineering time was 6 hours across two sessions.
Original left-hand spring received by mail. Scanned using the Creaform HandyScan Black Elite at ±0.025mm accuracy — 2 hours capture and data cleanup in VXElements. Full point cloud geometry extracted including wire cross-section, coil geometry, and end tab profiles.
4 hours of parametric CAD work in SolidWorks. Helix geometry rebuilt from scan data, spring rate verified against ASTM A228 material properties, end tab geometry mirrored and re-engineered for the CW orientation. Full assembly fit-check performed digitally against the housing model.
Complete 2D drawing produced per ASME Y14.5 — wire diameter with tolerances, OD, free length, coil count, rise angle, wind direction callout, end tab dimensions, material specification, and finish notes. Drawing formatted for overseas spring manufacturer submission.
Drawing submitted to Shaoxing Sanyang Spring Co., Ltd — a specialized precision spring manufacturer in Zhejiang Province, China. Quote received: 20 pieces at US$11.00 each, plus US$40.00 freight. Total: US$260.00 DAP. Lead time: 25 days from payment.
20 production springs received. All 20 parts inspected — wind direction confirmed correct, end tab geometry verified against drawing, spring rate spot-checked. Springs fit the application correctly on the first attempt. Vendor became a qualified supplier for future production runs.
The spring fit correctly on the first attempt — no iterations, no rework, no scrap. This is the result of extracting design intent from the scan rather than copying surface geometry alone.
Deliverables
What the Client Received
The complete deliverable package included a fully dimensioned SolidWorks part file, a STEP export for vendor use, and a production-ready 2D drawing with GD&T callouts, material specification, finish notes, and all critical dimensions toleranced for spring manufacturing. The vendor manufactured directly from this drawing with zero clarification requests.
Production drawing SE-20250041.A — delivered to vendor for manufacture
Vendor quote — 20 pieces, 25-day lead time, delivered to Nashville. Sensitive details scrubbed.
Engineering Package
| CAD File | SolidWorks Part (.SLDPRT) |
| Exchange Format | STEP AP214 |
| Drawing | PDF + DWG, ASME Y14.5 |
| Scan Data | Point cloud archive on file |
Project Summary
| Engineering Hours | 6 hours total |
| Production Quantity | 20 pieces, first run |
| Unit Cost (production) | US$11.00/pc + freight |
| Total Lead Time | 45 days, door to door |
| First Article Result | Pass — no iterations |
| Vendor Status | Qualified supplier retained |
What This Project Demonstrates
Spring Reverse Engineering Is More Than Copying a Shape
Off-the-shelf springs are defined by wire diameter, OD, free length, and spring rate. A custom spring with specific end geometry, wind direction, and tight tolerances requires a complete engineering drawing — not a photograph, not a verbal description, and not a mesh file.
By scanning the original spring and extracting its design intent — rather than simply measuring with calipers — we captured the end tab geometry, verified the helix angle, and confirmed the spring rate against the material specification. The mirror model was built parametrically, meaning any future design change can be made in seconds rather than starting from scratch.
The vendor manufactured 20 parts from our drawing with zero clarification requests and zero rework. That's the standard we hold every project to — not "close enough," but right the first time.
Have a Spring or Custom Part That Needs to Be Reproduced?
Send us photos and a description. We'll tell you exactly what the path forward looks like — and what it will cost.
Get a Quote Learn About Reverse Engineering
